Online od roku 2006 – Důvěryhodné zkušenosti
Přes 100.000 produktů – Široký sortiment
Doručení z vlastního skladu – Rychlé doručení
Férové ceny – Skvělý poměr cena/výkon

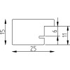
Effect Dřevěný rám Profil Top Pro přírodní s museumským sklem 25x35 cm

Dřevěný rám Profil Top Pro, přírodní provedení, šířka lešeně 2,5 cm, vhodný pro obrazy 25x35 cm, museumské sklo s 70 % UV ochranou, 6krát lakovaný podle EU směrnic, zavěšení v obou orientacích
Barva 
Typ skla 
Velikost 

71,60 €
vč. káď , Plus náklady na dopravu