Online od roku 2006 – Důvěryhodné zkušenosti
Přes 100.000 produktů – Široký sortiment
Doručení z vlastního skladu – Rychlé doručení
Férové ceny – Skvělý poměr cena/výkon

Effect dřevěný rám Profil Top Pro světle hnědý s muzejním sklem

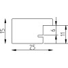
Dřevěný rám s kantovitým profilem 2,5 cm, světle hnědá barva, masivní dřevo s viditelnou strukturou, muzejní sklo s 70 % UV ochranou, 6krát lakován podle EU směrnice, vhodný pro vodorovné i svislé zavěšení
Barva 
Typ skla 
Velikost 

72,40 €
vč. káď , Plus náklady na dopravu