Online od roku 2006 – Důvěryhodné zkušenosti
Přes 100.000 produktů – Široký sortiment
Doručení z vlastního skladu – Rychlé doručení
Bezplatné doručení od 2500 Kč

Effect Dřevěný rám Profil Top Pro světle hnědý s muzejním sklem

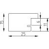
Vysokokvalitní dřevěný rám z masivního dřeva s viditelnou strukturou, šestiúrově lacovaný, světle hnědý, s kantovým lemem 2,5 cm, muzejní sklo s ochranou 70 % UV, vhodný pro vertikální i horizontální zavěšení
Barva 
Typ skla 
Velikost 

Kč 1.884,66
vč. 21% káď , Plus náklady na dopravu