Online od roku 2006 – Důvěryhodné zkušenosti
Přes 100.000 produktů – Široký sortiment
Doručení z vlastního skladu – Rychlé doručení
Férové ceny – Skvělý poměr cena/výkon

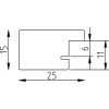
Effect Dřevěný rám Profil Top Pro světle hnědý 30x40 cm s museumským sklem

Vysokokvalitní dřevěný rám z masivního dřeva s viditelnou strukturou, šířka lišty 2,5 cm, světle hnědý odstín, 6krát lakovaný, museumské sklo s 70 % UV ochranou, vhodný pro vertikální i vodorovné zavěšení.
Barva 
Typ skla 
Velikost 

73,90 €
vč. káď , Plus náklady na dopravu