Online od roku 2006 – Důvěryhodné zkušenosti
Přes 100.000 produktů – Široký sortiment
Doručení z vlastního skladu – Rychlé doručení
Férové ceny – Skvělý poměr cena/výkon

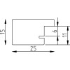
Effect Dřevěný rám Profil Top Pro světle hnědý s muzejním sklem

Dřevěný rám z masivního dřeva s viditelnou strukturou, světle hnědý odstín, minimalistický kvádrovaný profil, 6-krokově lakovaný, muzejní sklo s 70% UV ochranou, zadní stěna s držákem, vhodný k položení i zavěšení
Barva 
Typ skla 
Velikost 

20,60 €
vč. káď , Plus náklady na dopravu