Online od roku 2006 – Důvěryhodné zkušenosti
Přes 100.000 produktů – Široký sortiment
Doručení z vlastního skladu – Rychlé doručení
Férové ceny – Skvělý poměr cena/výkon

Effect Dřevěný rám Profil Top Pro světle hnědý s muzejním sklem

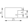
Vysokokvalitní dřevěný rám z masivního dřeva, kvádrový minimalistický profil 2,5 cm, světle hnědá barva, 6krát leštěný, vhodný pro DIN A4, ideální s muzejním sklem s 70% UV ochranou pro certifikáty, doklady a malířská díla
Barva 
Typ skla 
Velikost 

43,50 €
vč. káď , Plus náklady na dopravu