Online od roku 2006 – Důvěryhodné zkušenosti
Přes 100.000 produktů – Široký sortiment
Doručení z vlastního skladu – Rychlé doručení
Férové ceny – Skvělý poměr cena/výkon

Effect Dřevěný rám Profil Top Pro tannengrün 60x60 cm s muzejním sklem

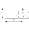
Dřevěný rám z masivního dřeva, tannengrénová barva, šestikrát lakovaný, hřebenové profilování 2,5 cm, sklo muzejní s 70 % UV ochranou, vhodné pro zavěšení na stěnu, moderní i klasické interiéry
Barva 
Typ skla 
Velikost 

231,40 €
vč. káď , Plus náklady na dopravu