Online od roku 2006 – Důvěryhodné zkušenosti
Přes 100.000 produktů – Široký sortiment
Doručení z vlastního skladu – Rychlé doručení
Férové ceny – Skvělý poměr cena/výkon

Effect Dřevěný rám Profil Top Pro tannengrün s muzejním sklem 18x24 cm

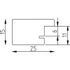
Vysokokvalitní dřevěný rám z masivního dřeva s viditelnou strukturou, minimalistický profil 2,5 cm, šestinásobně lakovaný v tannengrün, muzejní sklo s 70% UV ochranou, vhodný pro stěnu i stůl díky držáku na zadní stěně
Barva 
Typ skla 
Velikost 

36,90 €
vč. káď , Plus náklady na dopravu