Online od roku 2006 – Důvěryhodné zkušenosti
Přes 100.000 produktů – Široký sortiment
Doručení z vlastního skladu – Rychlé doručení
Férové ceny – Skvělý poměr cena/výkon

Effect dřevěný rám Top Pro flieder 10x15 cm s muzejním sklem

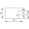
Masivní dřevěný rám s viditelnou strukturou, šířka lišty 2,5 cm, barva flieder, šestikrát lakovaný podle EU směrnice, muzejní sklo s 70 % ochranou před UV zářením, zadní držák pro stěnu i zavěšení
Barva 
Typ skla 
Velikost 

20,60 €
vč. káď , Plus náklady na dopravu