Online od roku 2006 – Důvěryhodné zkušenosti
Přes 100.000 produktů – Široký sortiment
Doručení z vlastního skladu – Rychlé doručení
Férové ceny – Skvělý poměr cena/výkon

Effect Dřevěný rámeček Profil Top Pro bílý 70x70 cm

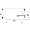
Masivní dřevěný rám s viditelnou strukturou, minimalistický kantový design, šířka lemu 2,5 cm, 6x bíle matně lakovaný podle EU směrnice, integrované klasické křižování, určený pro zavěšení na stěnu
Barva 
Typ skla 
Velikost 

83,51 €
vč. káď , Plus náklady na dopravu