Online od roku 2006 – Důvěryhodné zkušenosti
Přes 100.000 produktů – Široký sortiment
Doručení z vlastního skladu – Rychlé doručení
Férové ceny – Skvělý poměr cena/výkon

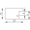
Effect Dřevěný rámeček Profil Top Pro bílý s transparentním sklem

Masivní dřevěný rámeček s viditelnou dřevěnou strukturou, minimalistický kantový profil 2,5 cm, 6x lakovaný podle evropských norm, transparentní klarglas, zadní stěna s držákem, vhodný pro stěnu i podlahu
Barva 
Typ skla 
Velikost 

22,73 €
vč. káď , Plus náklady na dopravu