Online od roku 2006 – Důvěryhodné zkušenosti
Přes 100.000 produktů – Široký sortiment
Doručení z vlastního skladu – Rychlé doručení
Bezplatné doručení od 2500 Kč

Effect Dřevěný rám Profil Top Pro bílý s muzejním sklem

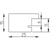
Vysokokvalitní dřevěný rám z masivního dřeva s viditelnou strukturou, minimalistický kvádrnatý profil šířky 2,5 cm, bílá barva s šestiúrovým lakem, muzejní sklo s 70 % ochranou proti UV záření, vhodný pro svislé i vodorovné zavěšení
Barva 
Typ skla 
Velikost 

Kč 2.790,86
vč. 21% káď , Plus náklady na dopravu