Online od roku 2006 – Důvěryhodné zkušenosti
Přes 100.000 produktů – Široký sortiment
Doručení z vlastního skladu – Rychlé doručení
Férové ceny – Skvělý poměr cena/výkon

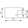
Effect Dřevěný rámeček Profil Top Pro hnědý s umělým sklem

Masivní dřevěný rámeček s viditelnou dřevěnou strukturou, hladkou povrchovou úpravou a šířkou lemu 2,5 cm, integrované umělé sklo s protireflexní vrstvou a UV ochranou, zadní stěna s držákem pro postavení i zavěšení, vhodný pro moderní i klasické interiéry
Barva 
Typ skla 
Velikost 

19,63 €
vč. káď , Plus náklady na dopravu