Online od roku 2006 – Důvěryhodné zkušenosti
Přes 100.000 produktů – Široký sortiment
Doručení z vlastního skladu – Rychlé doručení
Bezplatné doručení od 2500 Kč

Effect dřevěný rámeček Profil Top Pro mořská zelená s muzejním sklem

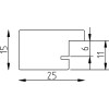
Špičkový dřevěný rámeček s viditelnou dřevěnou strukturou, kvádrový profil 2,5 cm, mořská zelená barva po šesti vrstvách lesklého nátěru, muzejní sklo s 70% ochranou proti UV záření, vhodný pro vertikální i horizontální zavěšení
Barva 
Typ skla 
Velikost 

Kč 2.289,50
vč. 21% káď , Plus náklady na dopravu