Online od roku 2006 – Důvěryhodné zkušenosti
Přes 100.000 produktů – Široký sortiment
Doručení z vlastního skladu – Rychlé doručení
Bezplatné doručení od 2500 Kč

Effect Dřevěný rámeček Profil Top Pro tannengrün s muzejním sklem

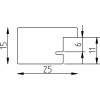
Masivní dřevěný rámeček s viditelnou strukturou, tannengrünová barva, pravoúhlý profil 2,5 cm, šestikrát lakovaný, muzejní sklo s 70% UV ochranou, nosný podstavec pro zavěšení nebo položení
Barva 
Typ skla 
Velikost 

Kč 522,64
vč. 21% káď , Plus náklady na dopravu