Online od roku 2006 – Důvěryhodné zkušenosti
Přes 100.000 produktů – Široký sortiment
Doručení z vlastního skladu – Rychlé doručení
Bezplatné doručení od 2500 Kč

Effect Dřevěný rámeček Profil Top Pro zlatý s muzejním sklem

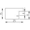
Masivní dřevěný rámeček zlaté barvy s viditelnou dřevěnou strukturou, minimalistický profil lemu šířky 2,5 cm, foliová úprava, muzejní sklo s 70 % ochranou před UV zářením, vhodný pro zavěšení v rovnoběžném i kolmém formátu
Barva 
Typ skla 
Velikost 

Kč 1.099,22
vč. 21% káď , Plus náklady na dopravu