Online od roku 2006 – Důvěryhodné zkušenosti
Přes 100.000 produktů – Široký sortiment
Doručení z vlastního skladu – Rychlé doručení
Bezplatné doručení od 2500 Kč

Effect Dřevěný rám Profil Top Pro fialový s muzejním sklem

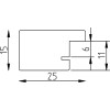
Dřevěný rám z masivního dřeva s fialovou lemovací lištou šířky 2,5 cm, 6x voskovaný, muzejní sklo s 70% UV ochranou, minimalistický design, vhodný pro zavěšení výšky i šířky, pro obrazy a umělecká díla
Barva 
Typ skla 
Velikost 

Kč 1.099,22
vč. 21% káď , Plus náklady na dopravu