Online od roku 2006 – Důvěryhodné zkušenosti
Přes 100.000 produktů – Široký sortiment
Doručení z vlastního skladu – Rychlé doručení
Bezplatné doručení od 2500 Kč

Effect Dřevěný rám Profil Top Pro modrý s muzejním sklem 29,7x42 cm

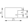
Masivní dřevěný rám s viditelnou texturou, modrá barva, šestinásobně lakována, minimalistický profil 2,5 cm, muzejní sklo s 70 % UV ochranou, vhodný pro stěnové zavěšení v obytných i výstavních prostorech
Barva 
Typ skla 
Velikost 

Kč 1.935,88
vč. 21% káď , Plus náklady na dopravu