Online od roku 2006 – Důvěryhodné zkušenosti
Přes 100.000 produktů – Široký sortiment
Doručení z vlastního skladu – Rychlé doručení
Férové ceny – Skvělý poměr cena/výkon

Effect dřevěný rám Profil Top S přírodní s muzejním sklem

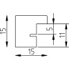
Masivní dřevěný rám s přírodní barvou a hladkou povrchem, čtvercový profil s zaoblenými hranami, šířka lešenky 1,5 cm, muzejní sklo s 70 % UV ochranou, zadní stěna s držákem pro stání i zavěšení, 5krát lakovaný podle evropských směrnic
Barva 
Typ skla 
Velikost 

32,00 €
vč. káď , Plus náklady na dopravu