Online od roku 2006 – Důvěryhodné zkušenosti
Přes 100.000 produktů – Široký sortiment
Doručení z vlastního skladu – Rychlé doručení
Férové ceny – Skvělý poměr cena/výkon

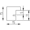
Effect Dřevěný rám profil top hnědý s muzejním sklem 14,8x21 cm

Pevný dřevěný rám s viditelnou dřevěnou strukturou, čtvercový profil s zaoblenými hranami, hnědá barva, 5krát lakovaný, muzejní sklo s 70% ochranou před UV paprsky, vhodný jak na stojan, tak na zavěšení
Barva 
Typ skla 
Velikost 

32,00 €
vč. káď , Plus náklady na dopravu