Online od roku 2006 – Důvěryhodné zkušenosti
Přes 100.000 produktů – Široký sortiment
Doručení z vlastního skladu – Rychlé doručení
Férové ceny – Skvělý poměr cena/výkon

Effect Dřevěný rámeček Profil Top Pro fialový s muzejním sklem

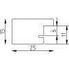
Masivní dřevěný rám s viditelnou dřevěnou strukturou, fialová barva, minimalistický profil 2,5 cm, šestinásobně lakovaný, muzejní sklo s 70 % ochranou před UV paprsky, vhodný pro stěnové zavěšení v rovném i vodorovném formátu
Barva 
Typ skla 
Velikost 

72,00 €
vč. káď , Plus náklady na dopravu