Online od roku 2006 – Důvěryhodné zkušenosti
Přes 100.000 produktů – Široký sortiment
Doručení z vlastního skladu – Rychlé doručení
Férové ceny – Skvělý poměr cena/výkon

Effect Dřevěný rámeček Profil Top Pro oranžový s muzejním sklem

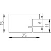
Masivní dřevěný rámeček s viditelnou strukturou, oranžová barva, kantní design, 2,5 cm lemování, 6x vylakování podle evropských směrnic, vhodný pro stěnové zavěšení, s muzejním sklem chráněným proti UV paprskům, ideální pro moderní i klasické obýváky.
Barva 
Typ skla 
Velikost 

68,00 €
vč. káď , Plus náklady na dopravu