Online od roku 2006 – Důvěryhodné zkušenosti
Přes 100.000 produktů – Široký sortiment
Doručení z vlastního skladu – Rychlé doručení
Bezplatné doručení od 2500 Kč

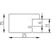
Effect Dřevěný rám Profil Top Pro stříbrný s muzejním sklem

Vysokokvalitní dřevěný rám s viditelnou dřevěnou strukturou, stříbrná leštěná foliová úprava, kvádrovaný minimalistický profil šířky 2,5 cm, vhodný pro vodorovné i svislé zavěšení, vybaven muzejním sklem s 70 % ochranou před UV zářením, dlouhodobě zachovává jas a čistotu.
Barva 
Typ skla 
Velikost 

Kč 2.790,86
vč. 21% káď , Plus náklady na dopravu