Online od roku 2006 – Důvěryhodné zkušenosti
Přes 100.000 produktů – Široký sortiment
Doručení z vlastního skladu – Rychlé doručení
Férové ceny – Skvělý poměr cena/výkon

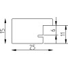
Effect Dřevěný rám Profil Top Pro hnědý s muzejním sklem

Dřevěný rám z masivního dřeva s viditelnou strukturou, 6-vrstvá hnědá úprava, kantní profil 2,5 cm, vhodný pro vertikální i horizontální zavěšení, obsahuje muzejní sklo s 70 % UV ochranou, elegantní a moderní estetika pro obývací pokoj nebo kancelář
Barva 
Typ skla 
Velikost 

73,50 €
vč. káď , Plus náklady na dopravu