Online od roku 2006 – Důvěryhodné zkušenosti
Přes 100.000 produktů – Široký sortiment
Doručení z vlastního skladu – Rychlé doručení
Bezplatné doručení od 2500 Kč

Effect Dřevěný rám Profil Top Pro stříbrný s muzejním sklem

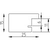
Vysokokvalitní dřevěný rám z masivního dřeva s viditelnou strukturou, stříbrný design, šířka liště 2,5 cm, integrované muzejní sklo s 70 % UV ochranou, vhodný pro zavěšení na stěnu v jakémkoliv formátu
Barva 
Typ skla 
Velikost 

Kč 1.982,65
vč. 21% káď , Plus náklady na dopravu