Online od roku 2006 – Důvěryhodné zkušenosti
Přes 100.000 produktů – Široký sortiment
Doručení z vlastního skladu – Rychlé doručení
Férové ceny – Skvělý poměr cena/výkon

Effect Dřevěný rámeček profil top stříbrný 62x93 cm s muzejním sklem

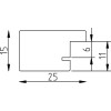
Masivní dřevěný rámeček s viditelnou strukturou, stříbrná foliová úprava, šířka lišty 2,5 cm, kvádrový minimalistický profil, vhodný pro vertikální i horizontální formát, obsahuje muzejní sklo s 70 % ochranou před UV zářením
Barva 
Typ skla 
Velikost 

310,50 €
vč. káď , Plus náklady na dopravu