Online od roku 2006 – Důvěryhodné zkušenosti
Přes 100.000 produktů – Široký sortiment
Doručení z vlastního skladu – Rychlé doručení
Férové ceny – Skvělý poměr cena/výkon

Effect Dřevěný rám Profil Top Pro světle hnědý s muzejním sklem

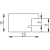
Vysokokvalitní dřevěný rám z masivního dřeva s viditelnou strukturou, světle hnědá barva, šestikrát lakovaný, kvádrový minimalistický profil 20x25 cm, umožňuje vertikální i horizontální zavěšení, integrované muzejní sklo s ochranou 70 % před UV paprsky
Barva 
Typ skla 
Velikost 

40,90 €
vč. káď , Plus náklady na dopravu